|
|
 |
|
|
|
|
|
Aimants | Systèmes magnétiques | Composants magnétiques | Technique magnétique | Entreprise |
| |
Aperçu de la gamme RS 05

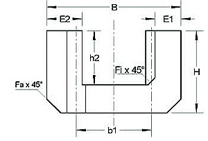
| N° d’article |
B |
H |
L |
S1 |
S2 |
E1 |
E2 |
b1 |
b2 |
h2 |
ød |
| |
[mm] |
[mm] |
[mm] |
[mm] |
[mm] |
[mm] |
[mm] |
[mm] |
[mm] |
[mm] |
[mm] |
| U 57 |
57 |
35 |
45 |
35 |
27 |
11 |
15 |
32 |
22,5 |
23 |
8 |
| U 70 |
70 |
41 |
57 |
40 |
35 |
15 |
17,5 |
38 |
28,5 |
25 |
8 |
|
| |