|
|
 |
|
|
|
|
|
Aimants | Systèmes magnétiques | Composants magnétiques | Technique magnétique | Entreprise |
| |
Aperçu de la gamme

|
N° d’article
|
|
|
|
|
|
Poids
|
Force
attractive
|
|
|
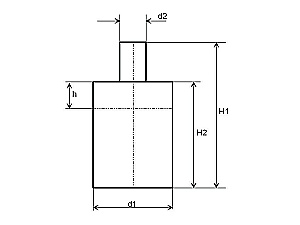
d1
|
d2
|
H1
|
H2
|
h
|
[g]
|
[N]
|
| 701 |
6 |
3 |
28 |
20 |
12 |
4 |
1,7 |
| 702 |
8 |
3 |
28 |
20 |
10 |
7 |
4 |
| 703 |
10 |
4 |
28 |
20 |
10 |
12 |
8,5 |
| 704 |
13 |
4 |
28 |
20 |
8 |
20 |
12 |
| 705 |
16 |
5 |
28 |
20 |
6 |
30 |
20 |
| 706 |
20 |
6 |
33 |
25 |
6 |
60 |
50 |
| 707 |
25 |
8 |
45 |
35 |
15 |
140 |
115 |
| 708 |
32 |
10 |
50 |
40 |
10 |
250 |
200 |
| 709 |
40 |
15 |
70 |
50 |
10 |
520 |
240 |
| 710 |
50 |
18 |
85 |
60 |
12 |
925 |
420 |
| 711 |
63 |
20 |
95 |
65 |
10 |
1580 |
660 |
|
| |