|
|
 |
|
|
|
|
|
Aimants | Systèmes magnétiques | Composants magnétiques | Technique magnétique | Entreprise |
| |
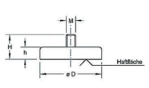
Aperçu de la gamme

|
N° d’article
|
ø D
|
H
|
h
|
Filetage
|
Poids
|
Force
attractive
|
|
|
|
|
|
M
|
g
|
N
|
| 950100 |
10 |
11,5 |
4,5 |
M3x7 |
3 |
4 |
| 950130 |
13 |
11,5 |
4,5 |
M3x7 |
5 |
10 |
| 950160 |
16 |
11,5 |
4,5 |
M3x7 |
6 |
18 |
| 950200 |
20 |
13 |
6 |
M3x7 |
11 |
30 |
| 950250 |
25 |
15 |
7 |
M4x8 |
22 |
40 |
| 950320 |
32 |
15 |
7 |
M4x8 |
32 |
80 |
| 950360 |
36 |
16 |
8 |
M4x8 |
45 |
100 |
| 950400 |
40 |
16 |
8 |
M6x8 |
60 |
125 |
| 950470 |
47 |
17 |
9 |
M6x8 |
90 |
180 |
| 950570 |
57 |
18,5 |
10,5 |
M6x8 |
145 |
280 |
| 950630 |
63 |
22 |
14 |
M6x8 |
240 |
350 |
|
| |