|
|
 |
|
|
|
|
|
Aimants | Systèmes magnétiques | Composants magnétiques | Technique magnétique | Entreprise |
| |
Aperçu de la gamme

|
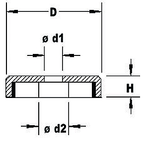
Article
|
ø D
|
ø d1
|
ø d2
|
t
|
H
|
Vis noyée
|
Poids
|
Force attractive
|
|
Nr.
|
|
|
|
|
|
|
g
|
N
|
| Z08 |
50 |
8,5 |
22 |
- |
10,5 |
- |
90 |
180 |
| Z09 |
63 |
6,5 |
24 |
- |
14 |
- |
195 |
290 |
| Z10 |
80 |
6,5 |
10,5 |
- |
18 |
- |
480 |
540 |
|
| |