|
|
 |
|
|
|
|
Magnetic Components and Parts |
|
|
|
|
|
|
Magnets | Magnetic Systems | Magnetic Components and Parts | Magnet Technology | Company |
| |
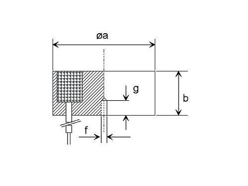
Product Overview DC-Electro-adhesive Magnets

|
Type
|
Adhesive
|
Adhesive Power
|
Required strength
|
Nominal Power
|
Weight
|
Dimension
|
|
|
|
|
|
Surface
|
lift ≈ 0
|
of counterplate
|
P
|
M
|
a
|
b
|
f
|
g
|
|
|
ø [mm]
|
FH [N]
|
[mm]
|
[Watt]
|
[kg]
|
[mm]
|
[mm]
|
|
[mm]
|
| EM015 |
15 |
36 |
2 |
1,4 |
0,02 |
15 |
12 |
M3 |
6 |
| EM018 |
18 |
40 |
2 |
1,4 |
0,017 |
18 |
11 |
M3 |
5 |
| EM025 |
25 |
140 |
3 |
3,2 |
0,06 |
25 |
20 |
M4 |
6 |
| EM03C |
32 |
230 |
3,6 |
3,6 |
0,11 |
32 |
22 |
M4 |
6 |
| EM04C |
40 |
450 |
4,5 |
5,2 |
0,2 |
40 |
25,5 |
M5 |
8 |
| EM05C |
50 |
700 |
6 |
6,5 |
0,3 |
50 |
27 |
M5 |
8 |
| EM06C |
63 |
950 |
7 |
9 |
0,55 |
63 |
30 |
M8 |
12 |
| EM07C |
70 |
1500 |
8 |
12 |
1,1 |
70 |
35 |
M8 |
12 |
| EM08C |
80 |
1800 |
9 |
15 |
1,2 |
80 |
38 |
M8 |
12 |
| EM09C |
90 |
3000 |
12 |
14 |
1,8 |
90 |
42 |
M8 |
12 |
| EM10C |
100 |
3200 |
10,5 |
20,5 |
2,1 |
100 |
43 |
M10 |
15 |
| EM15C |
150 |
9000 |
17 |
37 |
6,4 |
150 |
56 |
M16 |
24 |
| EM18C |
180 |
15000 |
21 |
50 |
10,5 |
180 |
63 |
M24 |
36 |
| EM25C |
250 |
30000 |
29 |
90 |
25,9 |
250 |
80 |
M24 |
36 |
|
| |